Magnetometer e CLIK ME
download eagle files
http://nuvem.tk/wiki/images/Magnetometer_v1_metter_sch.pdf
http://nuvem.tk/wiki/images/Magnetometer_v1_metter_board.pdf
Prototipe v0.1
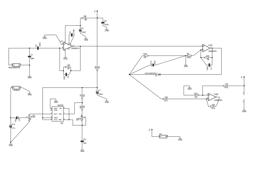
This device is a magnetic flux density sensor.This version was developed the week before nuvem residence, with the invaluable help of Janus from the electronic and modular sound lab Befaco.Hangar.org, Barcelona. The circuit is a version of this DIY fluxgate magnetometer for experimenters. The idea is to develop and improve its sensitivity and add a sound and light module and that one or more persons with this device attached to their body move to different magnetic intensive places (previously designed a tour). And with the speaker leaning on the back to sense the variations of the magnetic flux through the sound vibrations in a haptic way.One of the possible ways to do this is by attaching this minimalist circuit from oscilador sonoro de 1976 de Forrest Mims.
[back]





