KIT RURAL CIRCUITS
KIT RURAL CIRCUITS, es un proyecto de kits autoconstruibles de bajo coste para dotar a las comunidades autosuficientes y autogestionadas,rurales aisladas y/o neorurales cercanas a núcleos semiurbanos como Calafou de una real autosufiencia en cuestiones de energia y agua.
KIT RURAL CIRCUITS básico inicial se compone
I Circuito Pwm
II Circuito Grid Tie Inverted
III Generador de ozono + luz UV
Extra: Water Hammer
Extra: MiniArieta
Se puede ir implementando con otros circuitos básicos. Siempre que los kits sean
- autoconstruibles
- documentados
- priorización en el reciclado o de fabricación propia de componentes/hardware
- licencia open source hardware.
Siendo habitantxs de comunidades autogestionadas y sostenibles desde hace más de una decada, además de los factores políticos(metafísicos, creencias), las personas, el abastecimiento de recursos (comida, etc) y la creación del mundus lúdicus (conocimiento, placer, autoconsumo, trabajo, formas de expresión), existen dos factores o ejes determinantes a prestar atención que determinan la sostenibilidad de una comunidad, el abastecimiento de los recursos energéticos: luz & fuerza motora y agua.
Sostenibilidad y soberania tecnologica a través del hardware libre.
Residiendo en Calafou, junto a las problemáticas hidrográficas en la cuenca de la Anoia y la escasez de agua potable óptima para su población civil, la contaminación del rio y la inexistencia de un bosque de ribera, han despertado y enfocado las investigaciones sobre los temas referentes al Agua, junto a los grupos Martorell Viu y XNCA.
KIT RURAL CIRCUITS funciona como una capa básica en todos los proyectos de autobastecimiento energético y de agua, surge la necesidad de estabilizar unos kits fáciles, baratos, documentados y autoconstruibles.
Como ejemplo funcionan, como lo hace Arduino en el ensamblado de dipositivos electrónicos, si se instala una turbina hidrolectrica, placa solar, generador de hidrógeno, aerogenerador .... es fundamental la implantación de un circuito PWM para la acumulación de esta energia en baterias o para hacer uso de la disposición de la energía generada. Si se quiere que un generador de energia autosfuciente se introduzca a la red eléctrica y funcione con electrodomésticos y máquinas se va necesitar un Grid Tie Inverter. Si se quiere potabilizar el agua,aire, plantar con sufientes nutrientes, descontaminar aguas grises y residuales, o lavar ropa con ozono, o encontrar otra de las múltiples aplicaciones que tiene el ozono y la disección de la molécula de agua, se va tener que implementar un generador de ozono+UV.
Índice
Circuito PWM
Intro
Circuito que modula la onda eléctrica según voltage e intensidad, obteniendo máxima eficiencia en el dispositivo que recibe energia. En sus últimos años Nikolai Tesla, después de experimentar con energia alterna, empezo a experimentar con energia pulsada o modulada.
Dejando experimentos que se complementaban con los trabajos contemporáneos de Wilihem Reich sobre la existencia del orgón o la energia fría o del punto O.
La construcción típica de un circuito PWM se lleva a cabo mediante un comparador con dos entradas y una salida. Una de las entradas se conecta a un oscilador de onda dientes de sierra, mientras que la otra queda disponible para la señal moduladora. En la salida la frecuencia es generalmente igual a la de la señal dientes de sierra y el ciclo de trabajo está en función de la portadora.
La modulación por ancho de pulsos es una técnica utilizada para regular la velocidad de giro de los motores eléctricos de inducción o asíncronos.
Mantiene el par motor constante y no supone un desaprovechamiento de la energía eléctrica. Se utiliza tanto en corriente continua como en alterna, como su nombre lo indica, al controlar: un momento alto (encendido o alimentado) y un momento bajo (apagado o desconectado), controlado normalmente por relevadores (baja frecuencia) o MOSFET o tiristores (alta frecuencia).
Otros sistemas para regular la velocidad modifican la tensión eléctrica, con lo que disminuye el par motor; o interponen una resistencia eléctrica, con lo que se pierde energía en forma de calor en esta resistencia.
En los motores de corriente alterna también se puede utilizar la variación de frecuencia. La modulación por ancho de pulsos también se usa para controlar servomotores, los cuales modifican su posición de acuerdo al ancho del pulso enviado cada un cierto período que depende de cada servo motor. El circuito pwm tambien se utiliza para romper la molécula de hidrógeno en la frecuencia C+ optimizando el rendimiento de las pilas combustible.(Joes Cell)
Nuestro circuito es una versión con dos potenciometros, para recoger frecuencia y amplitud de onda.
Componentes
Plan de Trabajo
- Seleccionar los componentes
- Tenemos todos los componentes.Hemos cambiado el BUZ350 de hasta 200V por 22amp por uno BUZ11 que tiene hasta 50V y 30 amp
- Montar placa Base
- Testeo de PWM + PureData
- Utilizamos el software Puredata para medir la frecuencias que produicimos introduciendo un minijack conectado a la salida. Con el PureData tranformamos la frecuencia electrica a sonido mediante una tabla de conversión.Desde el Puredata observamos mediante sonido las distintas frecuencias que produce el PWM.
- Para utilizar nuestro ordenador como osciloscopio, tenemos insertar a la salida del circuito un minijack y antes hacer un divisor resistivo.
- Hemos encontrado un software para osciloscopio xoscope
- Dibujar el circuito
- Ensamblado final
- Testing
Testeo
Links
otros
- http://www.brighthubengineering.com/diy-electronics-devices/123681-how-to-make-a-dc-motor-speed-controller-circuit-using-two-555-ics/
- http://www.learnabout-electronics.org/Oscillators/osc46.php
- http://arduino.cc/en/Tutorial/SecretsOfArduinoPWM
- http://www.instructables.com/answers/555-pwm-AND-frequency-controllable/
- http://www.instructables.com/id/Simple-and-dirty-Pulse-Width-Modulation-PWM-Wi/
- http://www.instructables.com/id/Simple-PWM-Control-555-for-Motors-lights-heat/
- http://www.electro-tech-online.com/electronic-projects-design-ideas-reviews/114574-how-control-frequency-pwm-555-a.html
y basado en la experimentación que hemos tenido al crear prototipos recogido en estos documentos.
Cargador baterias
- http://homemadecircuitsandschematics.blogspot.com.br/2013/08/3v-45v-6v-9v-12v-24v-automatic-battery.html
- http://www.pablin.com.ar/electron/circuito/auto/cargbat1/
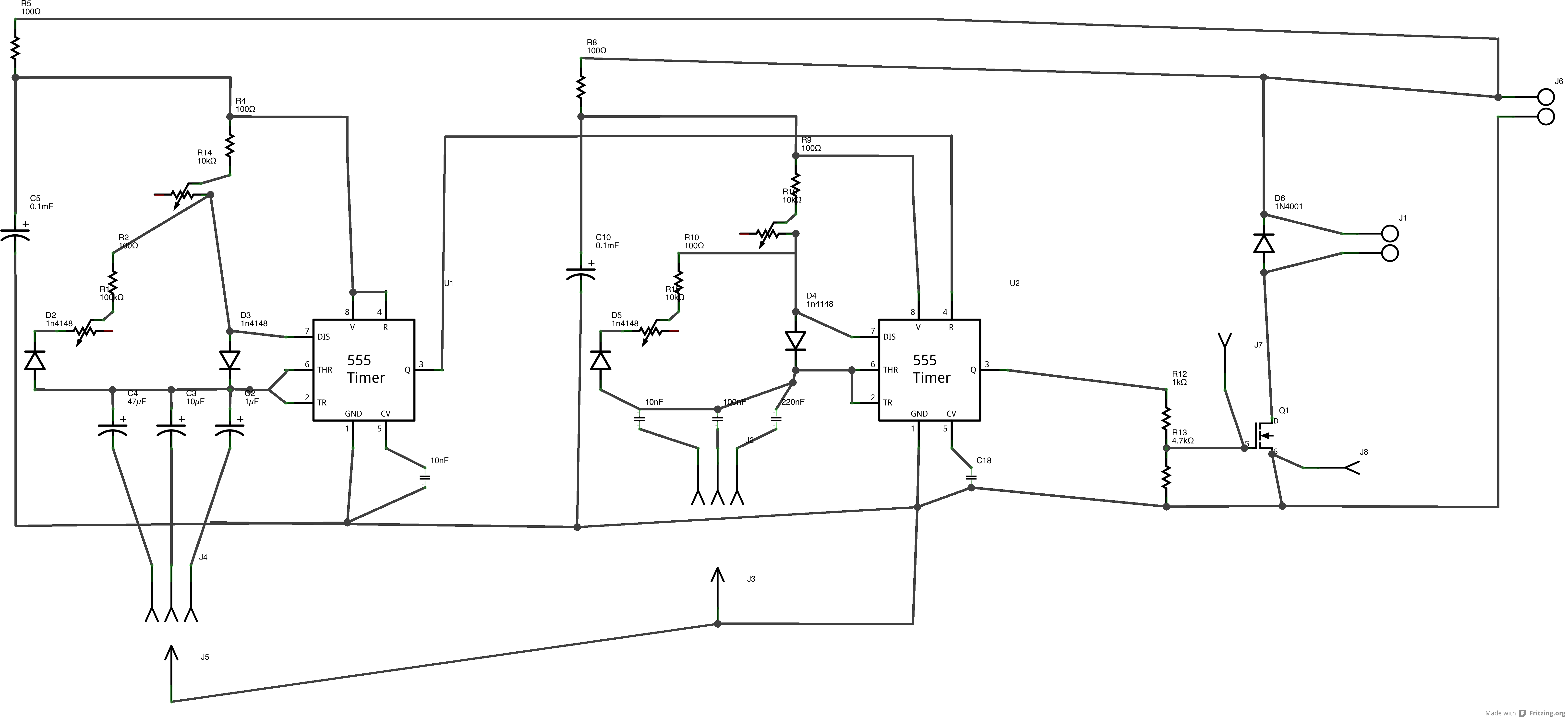
Circuito Grid Tie Inverted
Intro
Circuito que invierte la corriente de continua a alterna, y además mediante un desfase de onda permite introducirla a la red general de cualquier lugar geográfico. Mientras la red de alimentación de CA está presente, el inversor aporta su alimentación a la red de suministro de la red existente, y detiene el proceso cuando falla el suministro de la red. El concepto es realmente muy interesante, permite que cada una de nosotras pase a convertirse en un colaborador de energía eléctrica. Imaginemos que cada casa involucra en este proyecto para generar abrumadoras cantidades de energía a la red, que a su vez proporciona una fuente de ingresos pasivos a las residencias afectadas. Desde la entrada se deriva a las fuentes renovables, entonces la renta se convierte en absolutamente libre de costo. Puedes introducir tu energia generada con cualquier prototipo autoconstruido: turbina, aerogenerador, a través de este circuito hasta que baje a 0 tu consumo eléctrico en la facturacion de la energía, pero muy poco paises legislan que puedas vender tu exceso de energia y que te paguen por ello, algunos si lo hacen, las granjas energéticas.
Diseño simplificado
Diseño Completo
Componentes
Diseño simplificado
1 TR1 input to 0-12V 100mA
8 1N4148 diodes
2 capacitor 100uF
1 capacitor 1uF
1 transistor BC557
2 IC555
1 IC4017
1 Diodo 2v7
2 Resistence 1k
1 Resistence 100ohmios
1 Resistence 470ohmios
Diseño Completo
R1,R2,C1 = select to create around 1 kHz frequency
R3, R4,R5,R6 = 1K
C2 = 1nF
C3 = 100uF/25V
D1 = 10 amp diode
D2, D3, D4, D5 = 1N4007
T1, T2 = as per requirement
T3, T4 = BC547
2 IC1 = IC 556
TR1, TR2 = as suggested in the previous section design
Plan de Trabajo
- Seleccionar los componentes
- Montar placa Base
- Dibujar el circuito con diseño final
- Ensamblado final
- Testing
- Programa de Arduino para observar las diferentes frecuencias
Testeo
Links
- http://homemadecircuitsandschematics.blogspot.com.br/2012/10/designing-grid-tie-inverter-circuit.html
- Tesis Grid Tie Inverter for Renewable Energies
- http://www.windynation.com/articles/grid-tie-inverters/learn-about-grid-tie-inverters-wind-turbine-power
- http://2.bp.blogspot.com/-BqXTr9re-o0/TbPMIjq_AOI/AAAAAAAAAUk/6VQvIaxtA8Y/s640/Inverter+PWM+5000W.png
- http://circuitdiagramupdate.blogspot.com.br/2013/08/pwm-inverter-circuit-diagram.html
- http://www.electro-tech-online.com/alternative-energy/105324-grid-tie-inverter-schematic-2-0-a.html
- http://www.electro-tech-online.com/attachments/alternative-energy/28828d1241238512-tiny-grid-tie-inverter-unit-maybe-simple-gti.gif
- http://www.electro-tech-online.com/alternative-energy/90964-250-watt-grid-tie-inverter-build.html
Generador de ozono + luz UV
Intro
El generador de ozono y luz UV, descontamina al agua (y el aire) en su fase final, eliminando todos los microrganismos y agentes patógenos. La idea es crear un pequeño prototipo tubular por donde se filtre un volumen de agua pequeño. El proyecto esta en su fase de desarrollo, la idea posterior es poder aplicarlo junto con otros procesos en la descontaminanción de aguas grises y la autocontrucción de una lavadora de ozono. Y quizás tambien en la descontaminación de aire en espacio de trabajo de taller.
Componentes
Neón Transformer: duda 12V o en AC, minimo 3kv salida
Tubo plástico
Mallado
Ventilador Reciclado
Cola caliente
Alambre
Plan de Trabajo
- Seleccionar los componentes
- Efectuar las distintas cajas estancas
- Colocar un pwm + programa de arduino
- Testing
Testeo
Links
- http://www.youtube.com/watch?v=wJ-MTpkdETA
- http://www.bigclive.com/ozone.htm
- http://www.cenidet.edu.mx/subaca/web-mktro/submenus/investigacion/tesi/19-20%20Erwin%20Beutelspacher%20Santiago%20-%20Jose%20Maria%20Calderon%20Ancona.pdf
- http://www.youtube.com/watch?v=IPBuLH712Po
- http://www.tfhmagazine.com/details/articles/ozone-vs-ultraviolet-comparing-two-common-sterilization-techniques-full-article.htm
- http://www.ozoneapplications.com/info/cd_vs_uv.htm
- http://www.repairfaq.org/sam/etrn3210.gif
- http://www.air-purifiers-superstore.com/air_water_ozonator.html
- http://lapham25.tripod.com/archivos/prototipo_ozono.pdf
- http://www.youtube.com/watch?v=EyDjvHjyvb8
- http://www.youtube.com/watch?v=GlCSwjq8CmY
- http://erikmartin.com/
- http://www.youtube.com/watch?v=U9I9uEdNhq0
- http://ozonoterapia.net/
- Tesis pwm ozone genrator
Nota interesante:
- http://buymarijuanaseeds.com/community/threads/diy-ozone-generator.108301/
- http://www.xatakaciencia.com/tecnologia/la-agricultura-del-siglo-xxi
- http://www.cosemarozono.es/equipos-ozono/
Siendo autosostenibles en cuestiones de agua y energia, dentro de comunidades rurales o de grupos afines en las ciudades, nos vamos descentralizando de los gobiernos, de la dependencia de los sistemas y de las grandes compañias capitalistas proveedoras. Con lo cual es fundamental hacer estos kits extensibles y fácilmente escalables.
Extra: Water Hammer
Intro
La fueless energy utiliza la fuerza de rozamiento de un fluido para generar calor/energia, a través de un proceso Cavitation, que suponia un fallo de fatiga en muchas tuberias sometidas a presión, este error gracias a las investigaciones de Tesla se empezó a reconsiderar como una fuente de energia limpia y no combustible.
Mídia:http://www.youtube.com/watch?feature=player_detailpage&v=6RSg5yZJ5wk
Componentes
Fuente Energia/Bateria 12V Motor 12V
Plan de Trabajo
- Seleccionar los componentes
- Ensamblar motor
- Testing de calor
- Testing steam generator
- Calcular para escalar
Testeo
Links
- http://www.youtube.com/watch?v=yh_-DUKQ4Uw
- http://www.theoildrum.com/node/9885
- http://www.youtube.com/watch?v=hQf9XVEZYkw
- http://www.bibliotecapleyades.net/imagenes_tesla/tesla25_07.gif
- http://www.rexresearch.com/schaeffe/schaeffer.htm
Extra: MiniArieta
Intro
Creación de un miniariete utilizado como bomba para usos como reciclaje del agua de la bañera al inodoro.
Componentes
Plan de Trabajo
- Diseñar con programa de cálculo las variables de la fuerza de ariete
- Prediseñar con impresora 3D
- Testing
Testeo
Links
Materiales Generales en Kit Rural Circuits
- ácido, el Percloruro de Hierro o Percloruro Férrico
- placa de fenólico
- Para los orificios de resistencias comunes, capacitores y semiconductores de baja potencia se debe usar una mecha (broca) de 0.75mm de espesor. Para orificios de bornes o donde se suelden espadines o pines una de 1mm es adecuada.

